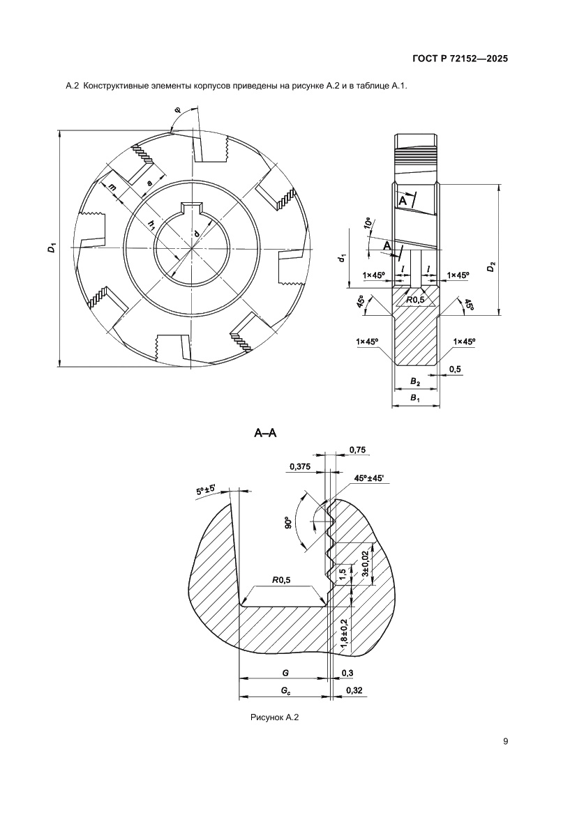
ГОСТ Р 72152-2025 Фрезы дисковые трехсторонние со вставными ножами, оснащенными твердым сплавом. Основные размеры
Межгосударственный стандарт
Скачать ГОСТ в PDF или DOC бесплатно
Основная информация
Обозначение:
ГОСТ Р 72152-2025
Статус:
Принят
Название русское:
Фрезы дисковые трехсторонние со вставными ножами, оснащенными твердым сплавом. Основные размеры
Название английское:
Side-and-face cutters with inserted carbide blades. Basic dimensions
Даты и сроки
Дата введения в действие:
07-01-26
Описание стандарта
ГОСТ Р 72152-2025 Фрезы дисковые трехсторонние со вставными ножами, оснащенными твердым сплавом. Основные размеры
Страницы стандарта















