ГОСТы >
25.060.20 Делительные головки и зажимные приспособления для обрабатываемых деталей и инструментов >
ГОСТ Р ИСО 12164-1-2025
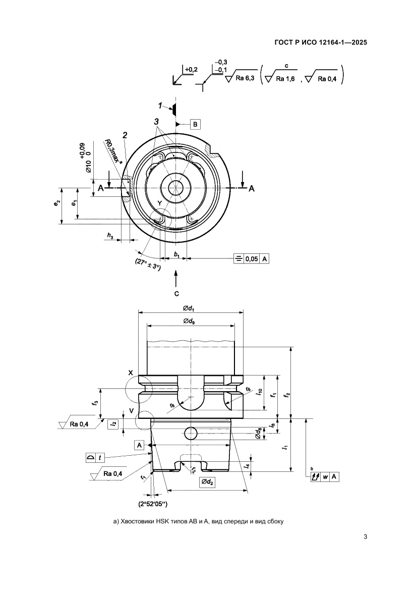
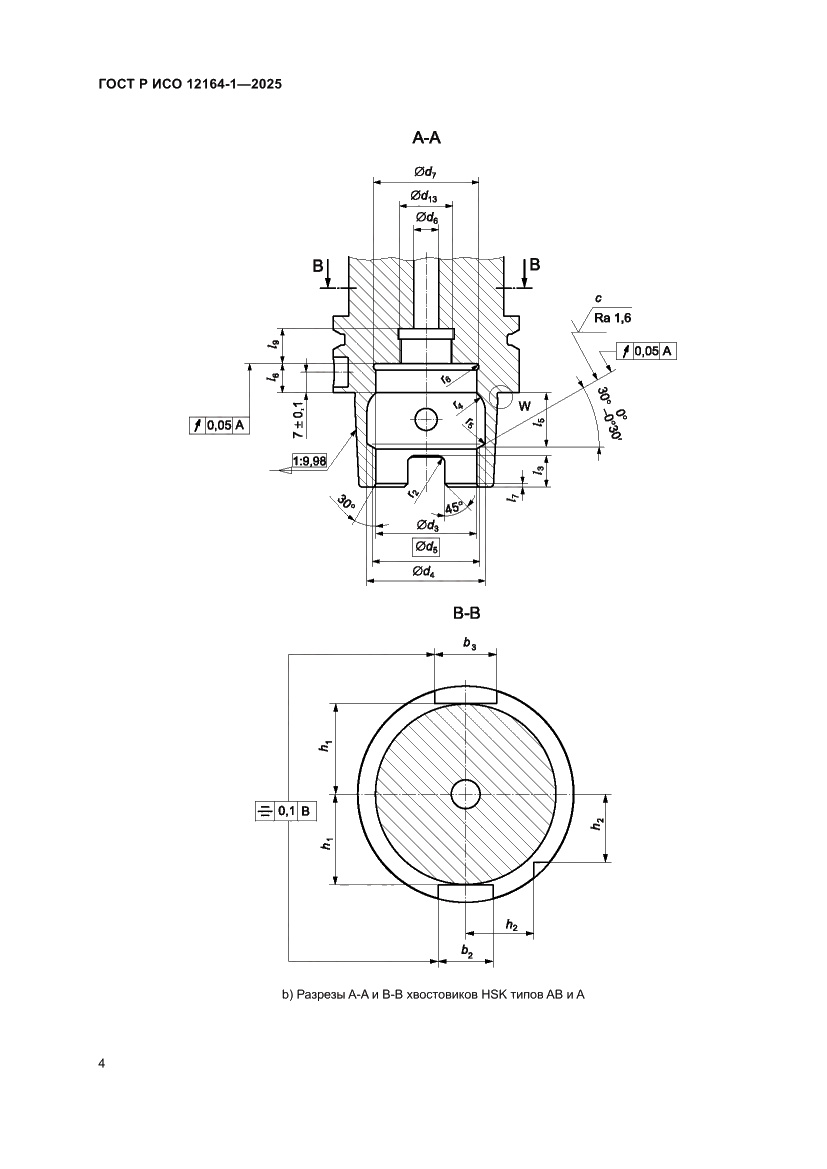
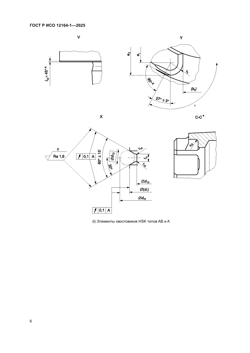
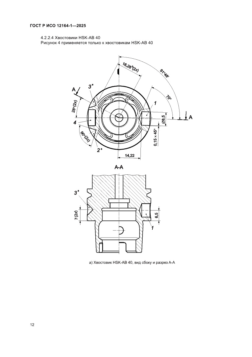
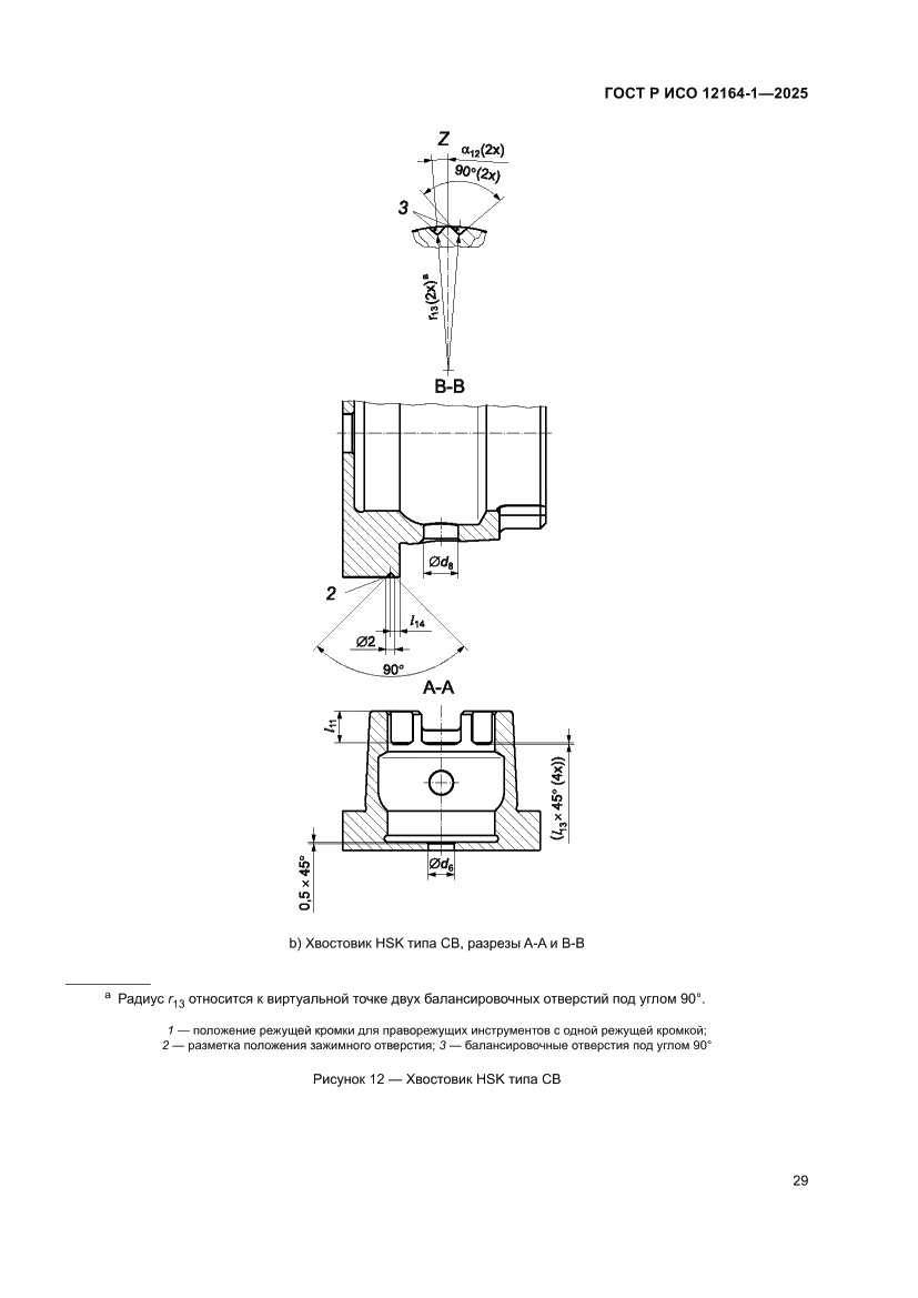
ГОСТ Р ИСО 12164-1-2025 Хвостовики инструментов полые конические (HSK). Типы A, AB, C, CB и EB. Основные размеры
Межгосударственный стандарт
Скачать ГОСТ в PDF или DOC бесплатно
Основная информация
Обозначение:
ГОСТ Р ИСО 12164-1-2025
Статус:
Принят
Название русское:
Хвостовики инструментов полые конические (HSK). Типы A, AB, C, CB и EB. Основные размеры
Название английское:
Hollow conical tool shanks (HSK). Types A, AB, C, CB and EB. Basic dimensions
Даты и сроки
Дата введения в действие:
07-01-26
Описание стандарта
ГОСТ Р ИСО 12164-1-2025 Хвостовики инструментов полые конические (HSK). Типы A, AB, C, CB и EB. Основные размеры
Страницы стандарта

















































