ГОСТы >
25.060.20 Делительные головки и зажимные приспособления для обрабатываемых деталей и инструментов >
ГОСТ Р ИСО 12164-2-2025
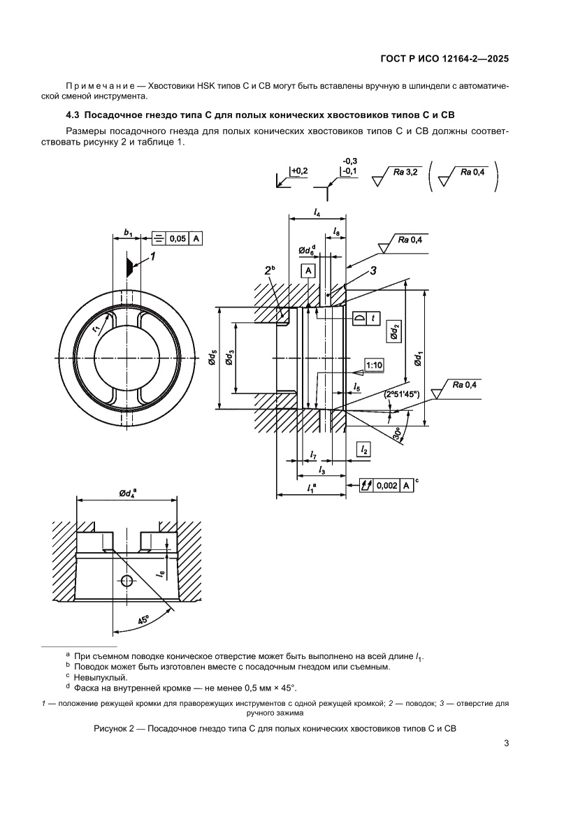
ГОСТ Р ИСО 12164-2-2025 Крепление инструментов типов А, С и Е для полых конических хвостовиков (HSK) типов A, AB, C, CB и EB. Присоединительные размеры
Межгосударственный стандарт
Скачать ГОСТ в PDF или DOC бесплатно
Основная информация
Обозначение:
ГОСТ Р ИСО 12164-2-2025
Статус:
Принят
Название русское:
Крепление инструментов типов А, С и Е для полых конических хвостовиков (HSK) типов A, AB, C, CB и EB. Присоединительные размеры
Название английское:
Tool receivers of types A, C and E for hollow taper shanks of types A, AB, C, CB and EB. Connecting dimensions
Даты и сроки
Дата введения в действие:
07-01-26
Описание стандарта
ГОСТ Р ИСО 12164-2-2025 Крепление инструментов типов А, С и Е для полых конических хвостовиков (HSK) типов A, AB, C, CB и EB. Присоединительные размеры
Страницы стандарта















