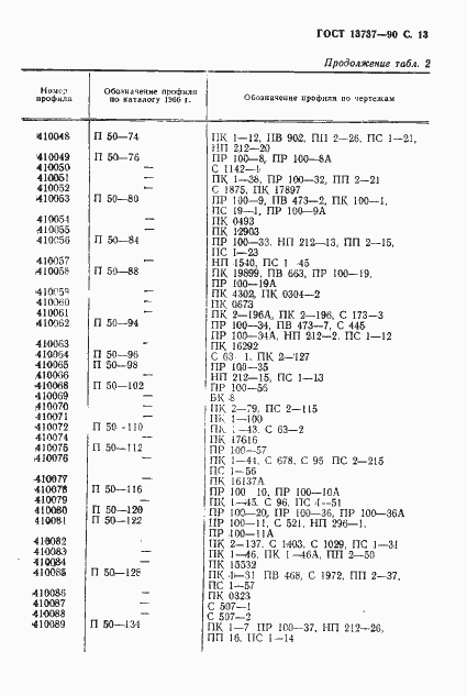
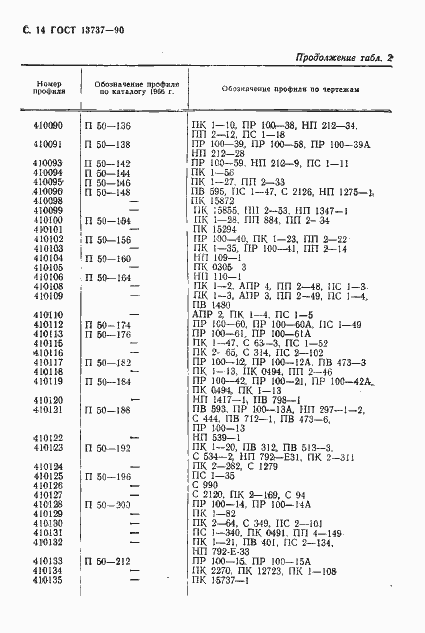
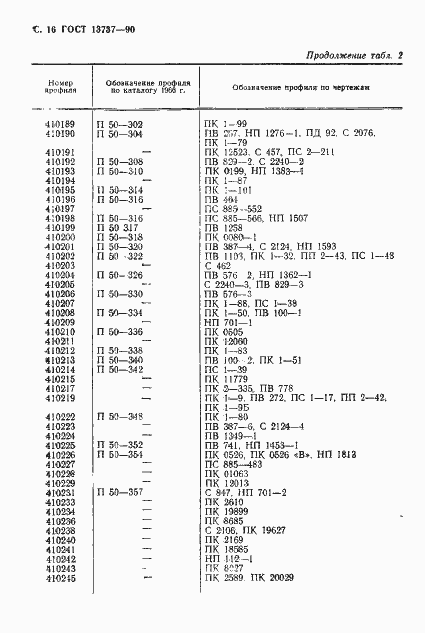
ГОСТ 13737-90 Профили прессованные прямоугольные равнополочного уголкового сечения из алюминиевых и магниевых сплавов. Сортамент
ГОСТ
Скачать ГОСТ в PDF или DOC бесплатно
Основная информация
Обозначение:
ГОСТ 13737-90
Статус:
Заменен
Тип:
ГОСТ
Название русское:
Профили прессованные прямоугольные равнополочного уголкового сечения из алюминиевых и магниевых сплавов. Сортамент
Название английское:
Extruded rectangular equishelf angle-section shapes of aluminium and magnesium alloys. Dimensions
Даты и сроки
Дата издания:
11-01-90
Дата введения в действие:
01-01-92
Дата завершения срока действия:
09-01-25
Применение и описание
Область и условия применения:
Настоящий стандарт устанавливает сортамент прессованных прямоугольных профилей равнополочного уголкового сечения из алюминия, алюминиевых и магниевых сплавов, изготовляемых методом горячего прессования
Связи и замены
Заменяющий:
ГОСТ 13737-2025
Взамен:
ГОСТ 13737-80
Описание стандарта
ГОСТ 13737-90 Профили прессованные прямоугольные равнополочного уголкового сечения из алюминиевых и магниевых сплавов. Сортамент
Страницы стандарта


















