ГОСТы >
01.080.40 Графические обозначения для технических чертежей, диаграмм, схем и соответствующей технической документации в области электротехники и электроники >
ГОСТ 23264-78
ГОСТ 23264-78 Машины электрические малой мощности. Условные обозначения
ГОСТ
Скачать ГОСТ в PDF или DOC бесплатно
Основная информация
Обозначение:
ГОСТ 23264-78
Статус:
Действует
Тип:
ГОСТ
Название русское:
Машины электрические малой мощности. Условные обозначения
Название английское:
Electric small machines. Conditional designation
Даты и сроки
Дата издания:
06-01-88
Дата введения в действие:
06-30-79
Дата завершения срока действия:
-
Применение и описание
Область и условия применения:
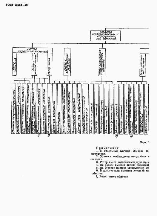
Настоящий стандарт распространяется на модернизируемые и вновь разрабатываемые вращающиеся электрические машины малой мощности следующих видов: коллекторные и бесконтактные электродвигатели постоянного тока, коллекторные электродвигатели переменного тока, синхронные и асинхронные электродвигатели, универсальные коллекторные электродвигатели, шаговые электродвигатели, генераторы, тахогенераторы, вращающиеся трансформаторы, сельсины, индукционные фазорегуляторы и фазовращатели, индукционные датчики угла, преобразователи сигналов гониометрические и устанавливает их условные обозначения
Связи и замены
Заменяющий:
-
Изменения и переиздания
Список изменений:
№1 от (рег. ) «Срок действия продлен» №2 от (рег. ) «Срок действия продлен»
Описание стандарта
ГОСТ 23264-78 Машины электрические малой мощности. Условные обозначения
Страницы стандарта
















