ГОСТы >
17.220 Электричество. Магнетизм. Электрические и магнитные измерения >
ГОСТ IEC 62040-2-2024
ГОСТ IEC 62040-2-2024 Совместимость технических средств электромагнитная. Системы бесперебойного питания. Требования и методы испытаний
ГОСТ МЭК
Скачать ГОСТ в PDF или DOC бесплатно
Основная информация
Обозначение:
ГОСТ IEC 62040-2-2024
Статус:
Принят
Тип:
ГОСТ МЭК
Название русское:
Совместимость технических средств электромагнитная. Системы бесперебойного питания. Требования и методы испытаний
Название английское:
Electromagnetic compatibility of technical means. Uninterruptible power systems. Requirements and test methods
Даты и сроки
Дата регистрации:
09-30-24
Дата издания:
10-31-24
Дата введения в действие:
04-01-26
Применение и описание
Область и условия применения:
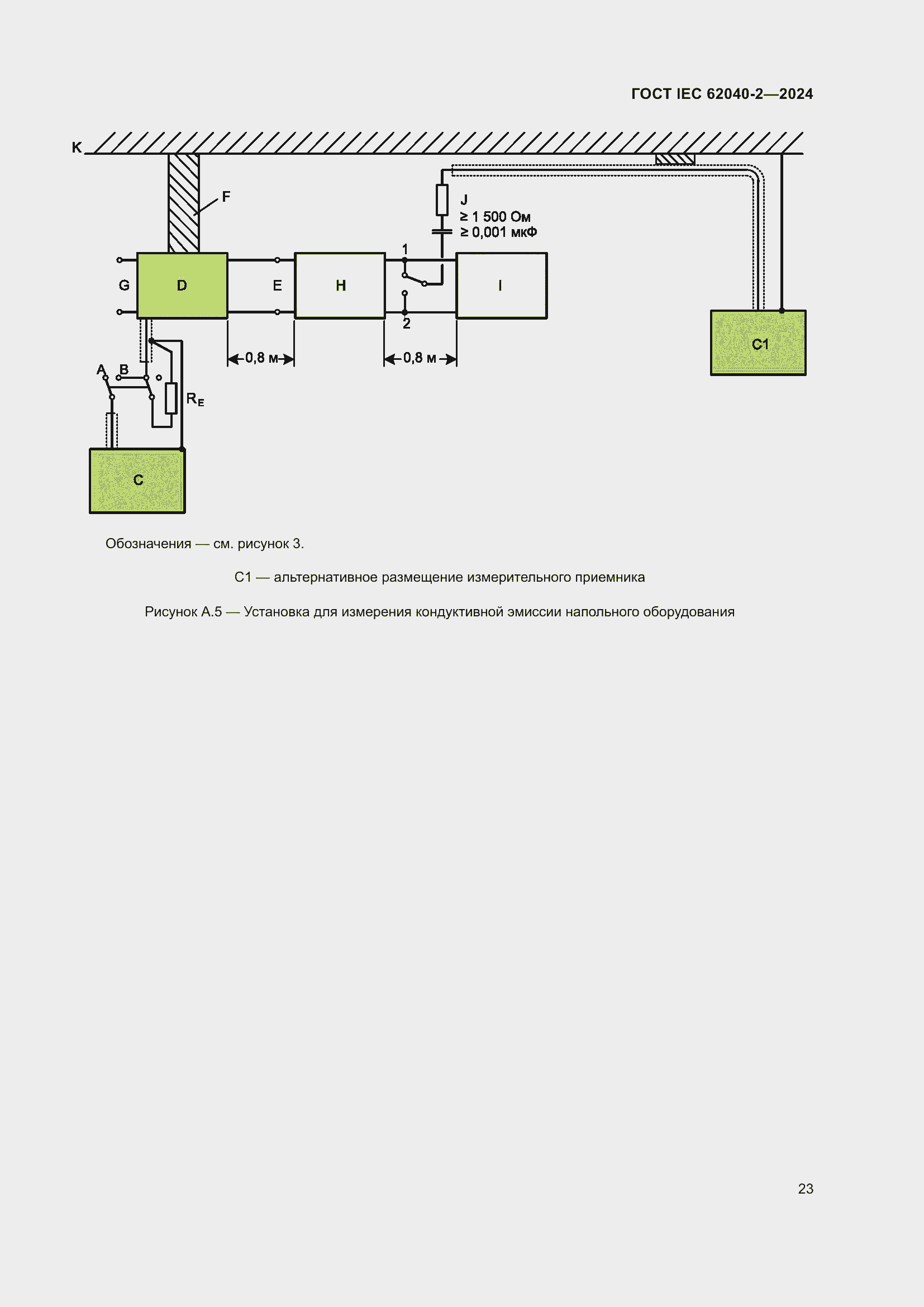
Настоящая часть IEC 62040 представляет собой стандарт типовых испытаний продукции на электромагнитную совместимость (ЭМС) и применяется к передвижным, стационарным, закрепляемым или встроенным, подключаемым соединителем и постоянно подключенным системам бесперебойного питания (СБП) для использования в низковольтных распределительных системах в жилой, коммерческой, легкой промышленной или промышленной электромагнитной обстановке, которые обеспечивают выходное напряжение на портах, не превышающее 1500 В постоянного тока или 1000 В переменного тока, и которые включают в себя устройство накопления энергии
Связи и замены
Взамен:
ГОСТ 32133.2-2013
Описание стандарта
ГОСТ IEC 62040-2-2024 Совместимость технических средств электромагнитная. Системы бесперебойного питания. Требования и методы испытаний
Страницы стандарта













































