ГОСТ Р 71797-2024 Сосуды и аппараты. Заглушки поворотные стальные. Общие технические условия
ГОСТ Р
Скачать ГОСТ в PDF или DOC бесплатно
Основная информация
Обозначение:
ГОСТ Р 71797-2024
Статус:
Действует
Тип:
ГОСТ Р
Название русское:
Сосуды и аппараты. Заглушки поворотные стальные. Общие технические условия
Название английское:
Vessels and apparatus. Rotary steel blank. General technical requirements
Даты и сроки
Дата издания:
12-19-24
Дата введения в действие:
03-01-25
Дата завершения срока действия:
-
Применение и описание
Область и условия применения:
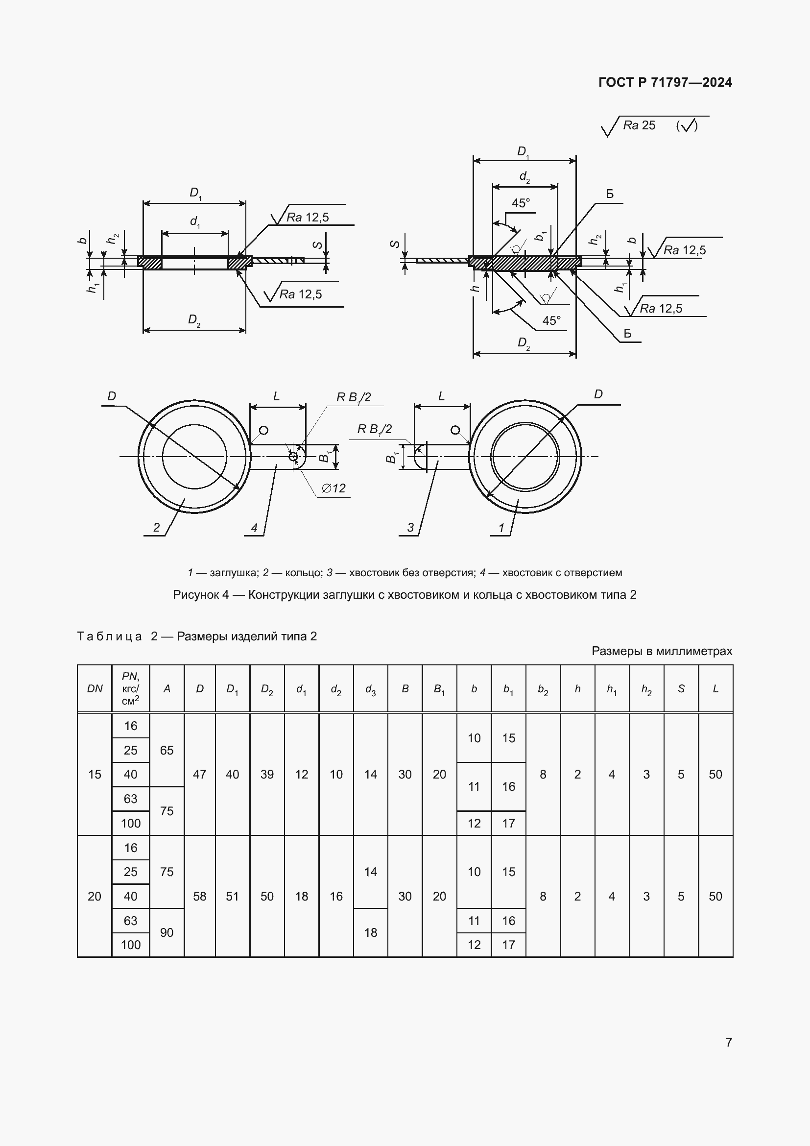
Настоящий стандарт распространяется на поворотные заглушки, заглушки с хвостовиками, кольца с хвостовиками (далее – изделия), применяемые для фланцев по ГОСТ 33259, рассчитанные на номинальные давления от 1,6 до 16,0 МПа (от PN 16 до PN 160), предназначенные для отключения сосудов и аппаратов от трубопроводов при проведении монтажных или ремонтных работ
Связи и замены
Заменяющий:
-
Описание стандарта
ГОСТ Р 71797-2024 Сосуды и аппараты. Заглушки поворотные стальные. Общие технические условия
Страницы стандарта



































