ГОСТы >
11.180.10 Средства помощи и приспособления для обеспечения доступности объектов и инфраструктуры >
ГОСТ Р ИСО 16840-1-2012
ГОСТ Р ИСО 16840-1-2012 Сиденья кресел-колясок. Часть 1. Словарь, условные обозначения опорных осей и размеров поверхностей, поддерживающих положение тела
ГОСТ Р ИСО
Скачать ГОСТ в PDF или DOC бесплатно
Основная информация
Обозначение:
ГОСТ Р ИСО 16840-1-2012
Статус:
Действует
Тип:
ГОСТ Р ИСО
Название русское:
Сиденья кресел-колясок. Часть 1. Словарь, условные обозначения опорных осей и размеров поверхностей, поддерживающих положение тела
Название английское:
Wheelchair seating. Part 1. Vocabulary, reference axis convention and measures for body segments, posture and postural support surfaces
Даты и сроки
Дата издания:
01-26-15
Дата введения в действие:
04-01-14
Дата завершения срока действия:
-
Применение и описание
Область и условия применения:
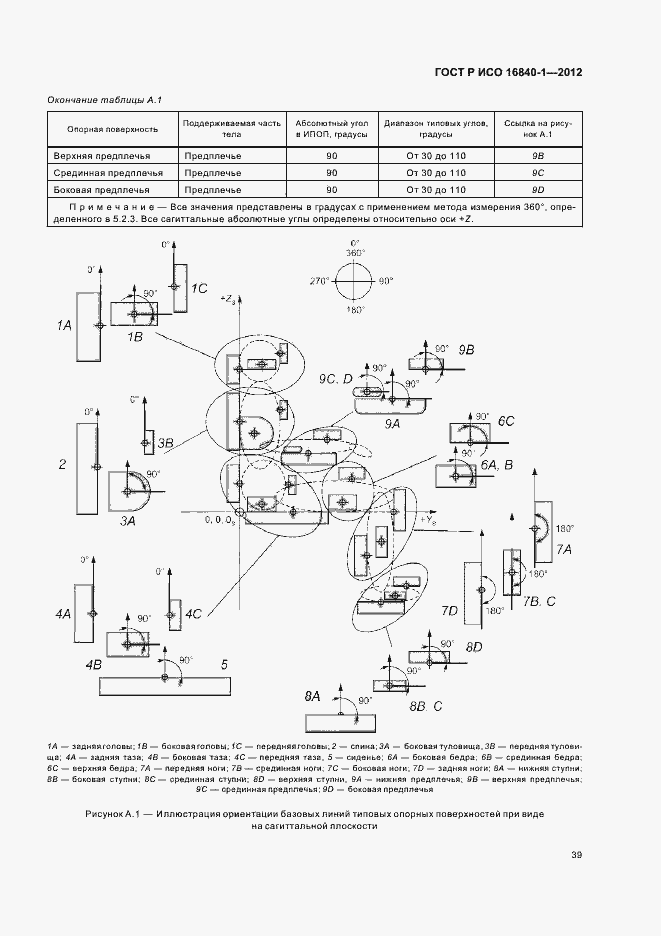
Настоящий стандарт применим к сиденьям, предназначенным для обеспечения опоры осанки в пределах кресла-коляски. Он определяет: a) общую систему координат, которая позволяет определять и регистрировать осанку человека, сидящего в кресле-коляске; b) стандартные термины и определения для использования при описании как осанки, так и антропометрии человека, сидящего в кресле-коляске; c) термины и определения для описания размеров, положения и ориентации опорных поверхностей сиденья, которые вместе образуют систему опоры тела. Настоящий стандарт не устанавливает какие-либо методы для использования в измерениях осанки сидящего человека, а также не определяет термины динамических физиологических перемещений (таких как изгиб или расширение). Настоящий стандарт также применим к сиденьям, отличным от сидений, предназначенных для использования в креслах-колясках
Связи и замены
Заменяющий:
-
Описание стандарта
ГОСТ Р ИСО 16840-1-2012 Сиденья кресел-колясок. Часть 1. Словарь, условные обозначения опорных осей и размеров поверхностей, поддерживающих положение тела
Страницы стандарта




























































