ГОСТы >
11.180.10 Средства помощи и приспособления для обеспечения доступности объектов и инфраструктуры >
ГОСТ Р 51191-2007
ГОСТ Р 51191-2007 Узлы протезов нижних конечностей. Технические требования и методы испытаний
ГОСТ Р
Скачать ГОСТ в PDF или DOC бесплатно
Основная информация
Обозначение:
ГОСТ Р 51191-2007
Статус:
Заменен
Тип:
ГОСТ Р
Название русское:
Узлы протезов нижних конечностей. Технические требования и методы испытаний
Название английское:
Units of lower-limb prostheses. Technical requirements and test methods
Даты и сроки
Дата издания:
08-18-08
Дата введения в действие:
01-01-09
Дата завершения срока действия:
04-01-20
Применение и описание
Область и условия применения:
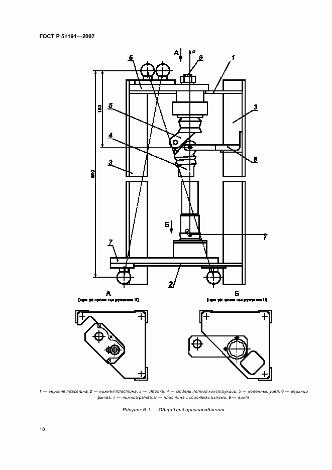
Настоящий стандарт распространяется на узлы протезов нижних конечностей, предназначенные для человека массой от 60 до 125 кг, при любом уровне ампутации и при врожденном недоразвитии нижних конечностей по типу культи. Стандарт не распространяется на узлы детских и специальных протезов (спортивных, рабочих, учебно-тренировочных)
Связи и замены
Заменяющий:
ГОСТ Р 51191-2019
Взамен:
ГОСТ Р 51191-98
Описание стандарта
ГОСТ Р 51191-2007 Узлы протезов нижних конечностей. Технические требования и методы испытаний
Страницы стандарта














