ГОСТы >
11.180 Средства помощи для инвалидов и других лиц с ограничениями жизнедеятельности >
ГОСТ Р ИСО 10328-8-98
ГОСТ Р ИСО 10328-8-98 Протезирование. Испытания конструкции протезов нижних конечностей. Часть 8. Отчет об испытаниях
ГОСТ Р ИСО
Скачать ГОСТ в PDF или DOC бесплатно
Основная информация
Обозначение:
ГОСТ Р ИСО 10328-8-98
Статус:
Заменен
Тип:
ГОСТ Р ИСО
Название русское:
Протезирование. Испытания конструкции протезов нижних конечностей. Часть 8. Отчет об испытаниях
Название английское:
Prosthetics. Structural testing of lower-limb prostheses. Part 8. Test report
Даты и сроки
Дата издания:
09-23-98
Дата введения в действие:
01-01-99
Дата завершения срока действия:
01-01-09
Применение и описание
Область и условия применения:
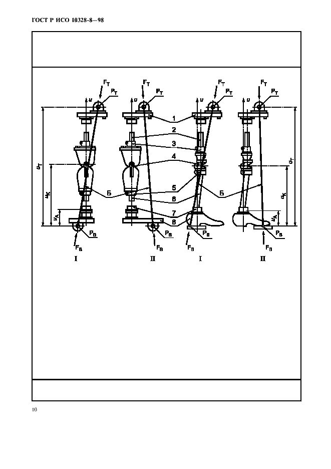
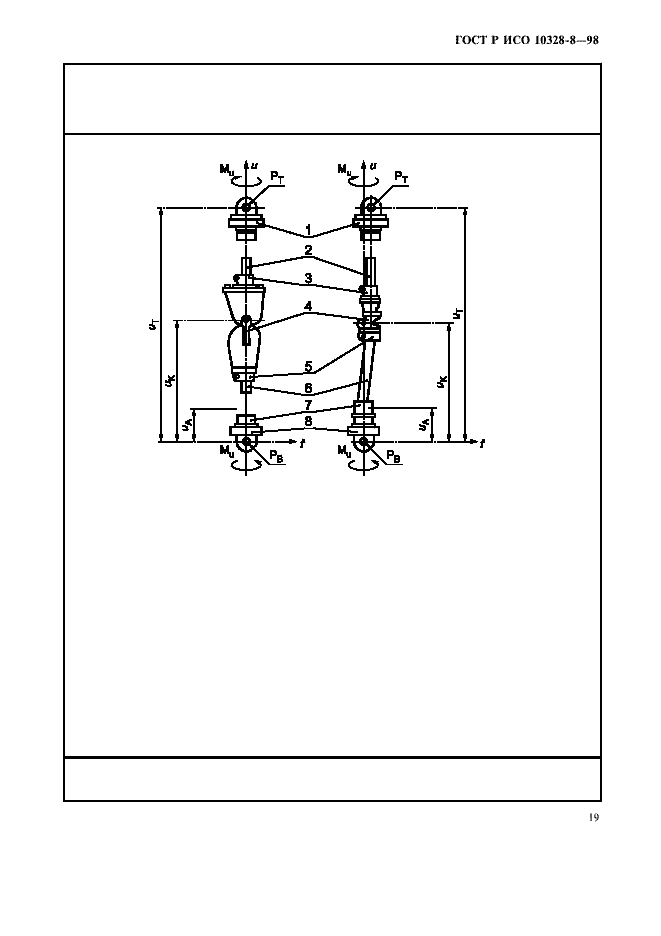
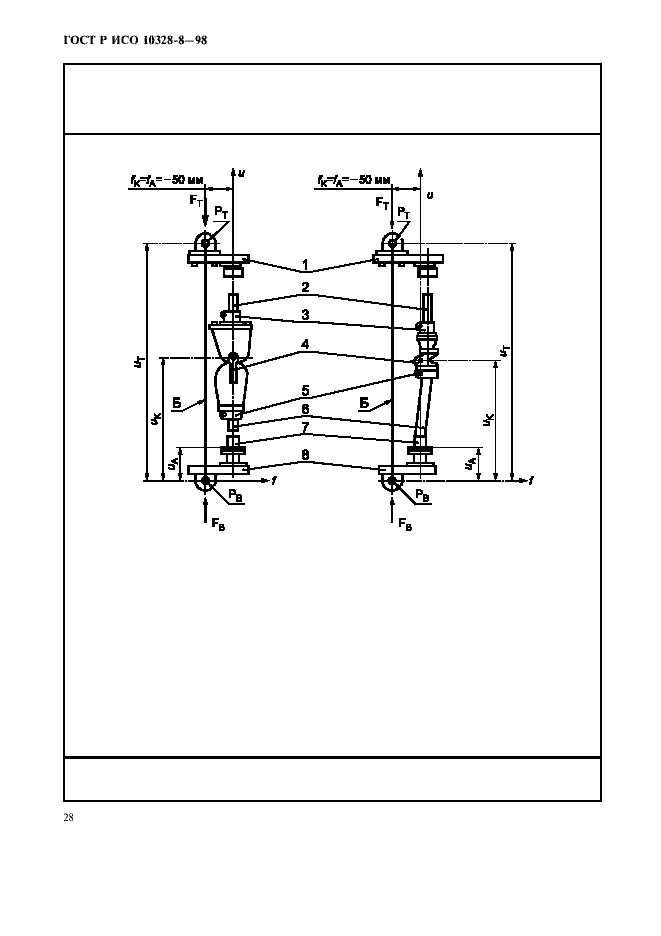
Настоящий стандарт распространяется на протезы голени и бедра. Примечание - Испытания проводят на моделях полной конструкции, частичной конструкции или отдельных узлов и деталей протеза. Настоящий стандарт устанавливает требования к оформлению и содержанию отчета об испытаниях, составляемого по результатам каждого испытания, проводимого в соответствии с ГОСТ Р ИСО 10328-3, ГОСТ Р ИСО 10328-4 и (или) ГОСТ Р ИСО 10328-5, ГОСТ Р ИСО 10328-6
Связи и замены
Заменяющий:
ГОСТ Р ИСО 10328-2007
Описание стандарта
ГОСТ Р ИСО 10328-8-98 Протезирование. Испытания конструкции протезов нижних конечностей. Часть 8. Отчет об испытаниях
Страницы стандарта








































