ГОСТ 27384-87 Вода. Нормы погрешности измерений показателей состава и свойств
ГОСТ
Скачать ГОСТ в PDF или DOC бесплатно
Основная информация
Обозначение:
ГОСТ 27384-87
Статус:
Заменен
Тип:
ГОСТ
Название русское:
Вода. Нормы погрешности измерений показателей состава и свойств
Название английское:
Water. Rates of measurement error of characteristics of composition and properties
Даты и сроки
Дата издания:
09-01-98
Дата введения в действие:
01-01-88
Дата завершения срока действия:
01-01-04
Применение и описание
Область и условия применения:
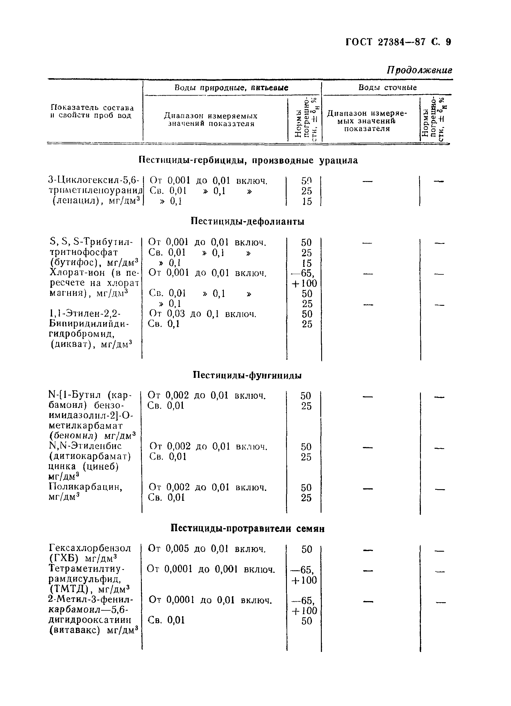
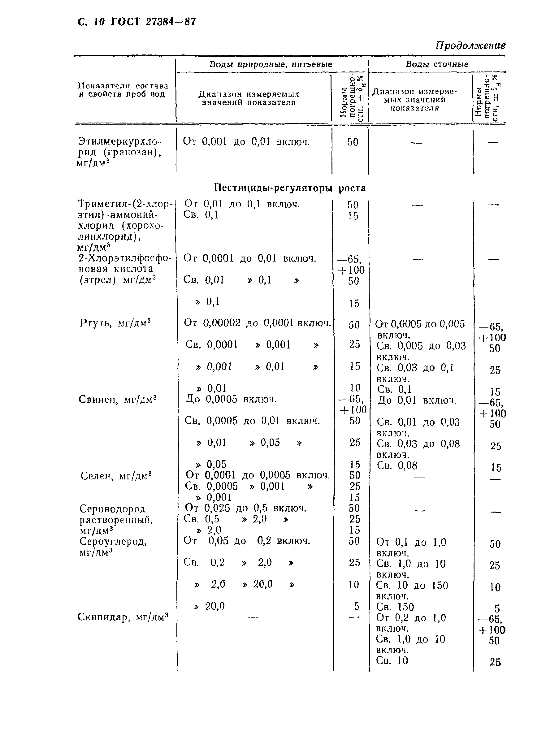
Настоящий стандарт устанавливает нормы погрешности измерений показателей состава и свойств проб природных, питьевых и сточных вод, выполняемых по методикам выполнения измерений (МВИ), применяемым органами государственного и ведомственного контроля для определения пригодности аттестуемых МВИ в процессе их метрологического исследования в регламентированных для них условиях и диапазоне измерений. Стандарт не распространяется на методы ускоренных измерений, используемые для обнаружения аварийных загрязнений вод и слежения за их последствиями, а также - на полевые методы анализа вод
Связи и замены
Заменяющий:
ГОСТ 27384-2002
Описание стандарта
ГОСТ 27384-87 Вода. Нормы погрешности измерений показателей состава и свойств
Страницы стандарта















