ГОСТ 12.1.046-85 Система стандартов безопасности труда. Строительство. Нормы освещения строительных площадок
ГОСТ
Скачать ГОСТ в PDF или DOC бесплатно
Основная информация
Обозначение:
ГОСТ 12.1.046-85
Статус:
Заменен
Тип:
ГОСТ
Название русское:
Система стандартов безопасности труда. Строительство. Нормы освещения строительных площадок
Название английское:
Occupational safety standards system. Building. Lighting of building sites
Даты и сроки
Дата издания:
11-01-88
Дата введения в действие:
01-01-86
Дата завершения срока действия:
07-01-15
Применение и описание
Область и условия применения:
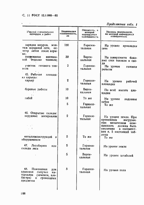
Стандарт устанавливает нормы освещенности, методы контроля и защиты и распространяется на проектирование и эксплуатацию осветительных установок для всех типов технологических процессов, имеющих место на строительных площадках, а также в местах производства строительных и монтажных работ внутри зданий
Связи и замены
Заменяющий:
ГОСТ 12.1.046-2014
Описание стандарта
ГОСТ 12.1.046-85 Система стандартов безопасности труда. Строительство. Нормы освещения строительных площадок
Страницы стандарта


























