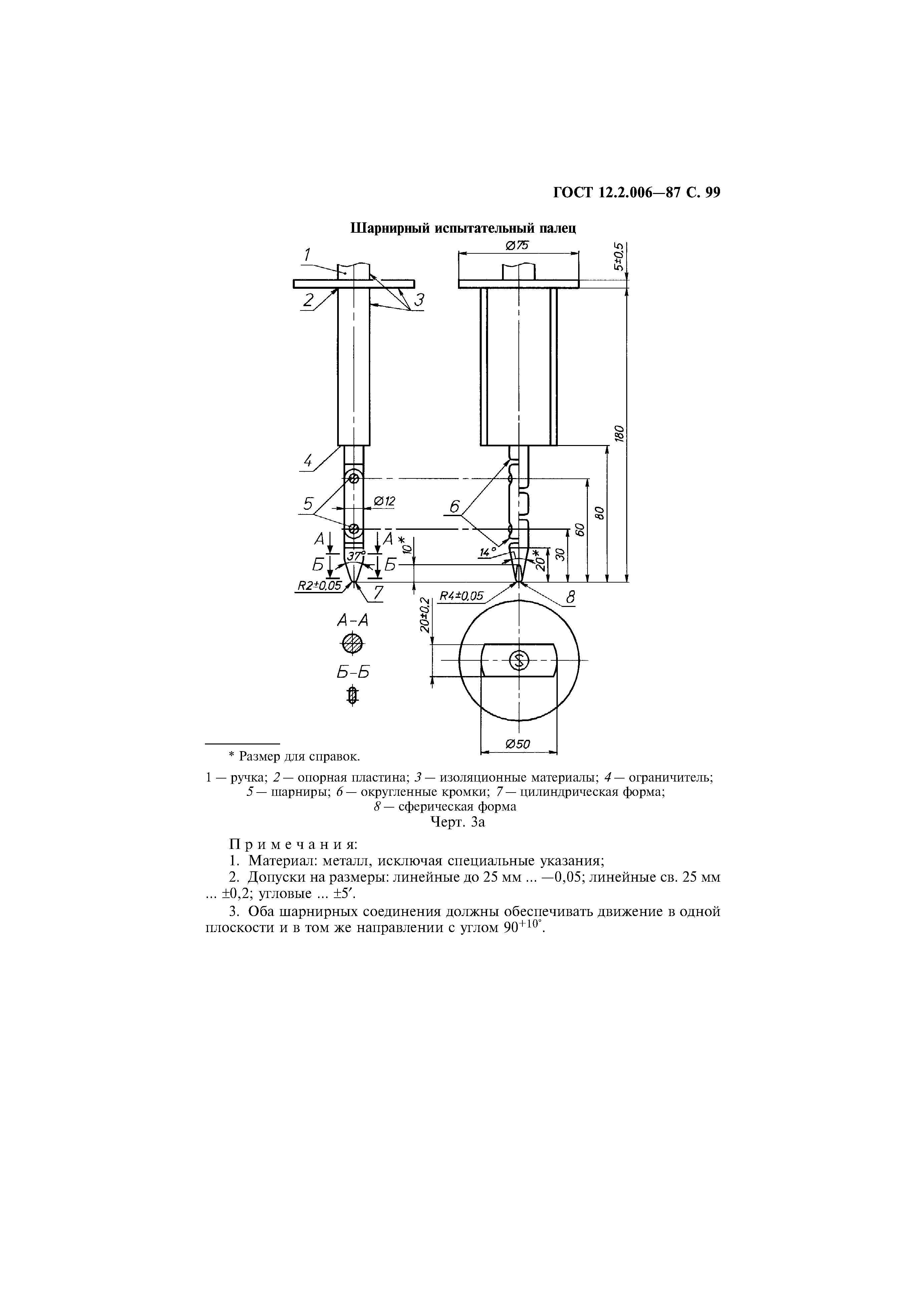
ГОСТ 12.2.006-87 Безопасность аппаратуры электронной сетевой и сходных с ней устройств, предназначенных для бытового и аналогичного общего применения. Общие требования и методы испытаний
ГОСТ
Скачать ГОСТ в PDF или DOC бесплатно
Основная информация
Обозначение:
ГОСТ 12.2.006-87
Статус:
Утратил силу в РФ
Тип:
ГОСТ
Название русское:
Безопасность аппаратуры электронной сетевой и сходных с ней устройств, предназначенных для бытового и аналогичного общего применения. Общие требования и методы испытаний
Название английское:
Safety of main operated electronic and related apparatus for household and similar general use. General requirements and test methods
Даты и сроки
Дата издания:
12-01-00
Дата введения в действие:
01-01-89
Дата завершения срока действия:
01-01-03
Применение и описание
Область и условия применения:
Настоящий стандарт распространяется на аппаратуру, которая непосредственно или любым иным способом подсоединяется к электрической сети питания, предназначенную для бытового или аналогичного общего применения внутри помещений и не подвергающуюся воздействию капель и брызг; радиоэлектронную аппаратуру для приема сигналов звукового сопровождения и телевизионного вещания; усилители; автономные преобразователи нагрузки и источника сигналов; устройства с управляемыми двигателями, которые содержат один или несколько указанных выше приборов или могут использоваться с одним или несколькими из этих приборов, например, радиола и магнитофон; заменители батарей; электронная музыкальная аппаратура; приборы, применяемые на высотах до 2000 м; приборы, конструкция которых обеспечивает надежную защиту от поражения электрическим током, благодаря заземлению или применению специальных методов изоляции. Настоящий стандарт не распространяется на приборы, питающиеся от электрической сети, номинальное напряжение которой превышает значения: 433 В (эффективное значение) между фазами при питании от сети трехфазного тока; 250 В (эффективное значение) во всех других случаях Настоящий стандарт относится только к безопасности приборов и не распространяется на другие их свойства Настоящий стандарт распространяется на приборы, конструкция которых обеспечивает надежную защиту от поражения электрическим током, благодаря заземлению или применению специальных методов изоляции
Связи и замены
Заменяющий:
-
Взамен:
ГОСТ 12.2.006-83
Изменения и переиздания
Список изменений:
№0 от (рег. ) «Поправка к изменению» №1 от (рег. ) «Поправка» №2 от (рег. ) «Срок действия продлен»
Описание стандарта
ГОСТ 12.2.006-87 Безопасность аппаратуры электронной сетевой и сходных с ней устройств, предназначенных для бытового и аналогичного общего применения. Общие требования и методы испытаний
Страницы стандарта




























































































































