ГОСТ Р МЭК 61511-3-2018 Безопасность функциональная. Системы безопасности приборные для промышленных процессов. Часть 3. Руководство по определению требуемых уровней полноты безопасности
ГОСТ Р МЭК
Скачать ГОСТ в PDF или DOC бесплатно
Основная информация
Обозначение:
ГОСТ Р МЭК 61511-3-2018
Статус:
Действует
Тип:
ГОСТ Р МЭК
Название русское:
Безопасность функциональная. Системы безопасности приборные для промышленных процессов. Часть 3. Руководство по определению требуемых уровней полноты безопасности
Название английское:
Functional safety. Safety instrumented systems for the process industry sector. Part 3. Guidelines for the determination of the required safety integrity levels
Даты и сроки
Дата издания:
09-04-18
Дата введения в действие:
07-01-19
Дата завершения срока действия:
-
Применение и описание
Область и условия применения:
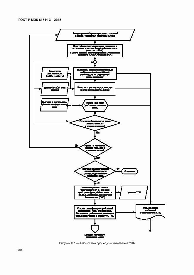
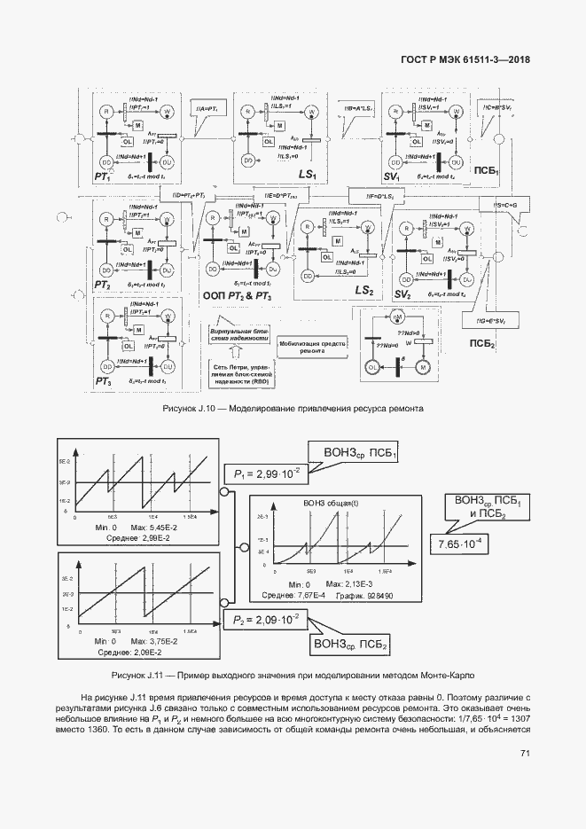
Настоящий стандарт содержит: - основные положения концепции риска и описание отношения между риском и полнотой безопасности (см. А.4, приложение А); - определение допустимого риска (см. приложение K); - описание различных методов, позволяющих определить уровень полноты безопасности (УПБ) для функций безопасности ПСБ (см. приложения B-K); - влияние многоконтурных систем безопасности на вычисления, определяющие способность достигнуть желаемого снижения риска (см. приложение J). В частности, настоящий стандарт: a) применяют в случаях, когда функциональная безопасность достигается путем использования одной или более функций безопасности ПСБ для защиты персонала, населения или окружающей среды; b) может быть применен на объектах, не требующих обеспечения безопасности, например для защиты имущества; с) иллюстрирует типичные методы оценки опасностей и рисков, которые могут быть выполнены для определения требований к функциональной безопасности, а также УПБ каждой из функций безопасности ПСБ; d) иллюстрирует методы и/или средства, позволяющие определить требуемые УПБ; e) содержит структуру работ по установлению УПБ, но не определяет УПБ для конкретных случаев применения;не содержит примеров определения требований к иным методам снижения рисков
Связи и замены
Заменяющий:
-
Взамен:
ГОСТ Р МЭК 61511-3-2011
Описание стандарта
ГОСТ Р МЭК 61511-3-2018 Безопасность функциональная. Системы безопасности приборные для промышленных процессов. Часть 3. Руководство по определению требуемых уровней полноты безопасности
Страницы стандарта

















































































