ГОСТ 30873.4-2006 Ручные машины. Измерения вибрации на рукоятке. Часть 4. Машины шлифовальные
ГОСТ
Скачать ГОСТ в PDF или DOC бесплатно
Основная информация
Обозначение:
ГОСТ 30873.4-2006
Статус:
Действует
Тип:
ГОСТ
Название русское:
Ручные машины. Измерения вибрации на рукоятке. Часть 4. Машины шлифовальные
Название английское:
Hand-held portable power tools. Measurement of vibrations at the handle. Part 4. Grinders
Даты и сроки
Дата регистрации:
06-24-06
Дата издания:
03-06-08
Дата введения в действие:
07-01-08
Дата завершения срока действия:
11-01-14
Применение и описание
Область и условия применения:
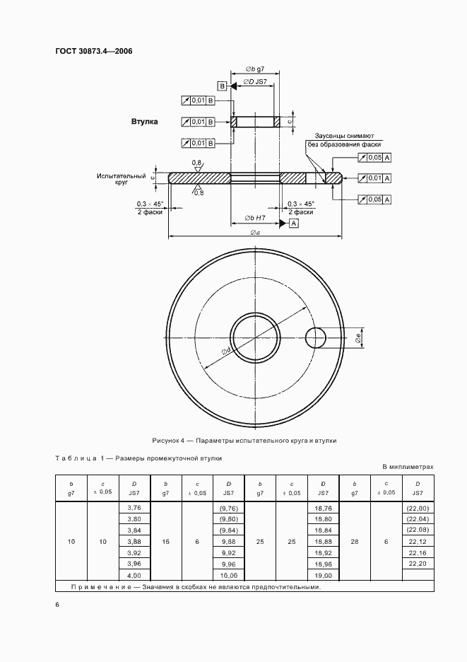
Настоящий стандарт относится к стандартам безопасности типа С (испытательный код по вибрации) согласно классификации ГОСТ 12.1.012 и устанавливает лабораторный метод измерения вибрации на рукоятках шлифовальных машин в целях заявления и подтверждения вибрационной характеристики ручной машины. Общие требования к методу испытаний ручных машин в целях заявления и подтверждения вибрационной характеристики приведены в ГОСТ 16519. Настоящий стандарт распространяется на ручные машины с пневматическим и другими видами привода. Настоящий стандарт не распространяется на шлифовальные машины для обработки штампов. Настоящий стандарт не распространяется на ручные машины с автоматической коррекцией дисбаланса ротора
Связи и замены
Заменяющий:
-
Взамен:
ГОСТ 30873.4-2002
Заменяющий в части:
ГОСТ ISO 28927-4-2013 в части испытаний прямых шлифовальных машин
Изменения и переиздания
Список изменений:
№0 от (рег. ) «Поправка к изменению»
Описание стандарта
ГОСТ 30873.4-2006 Ручные машины. Измерения вибрации на рукоятке. Часть 4. Машины шлифовальные
Страницы стандарта















