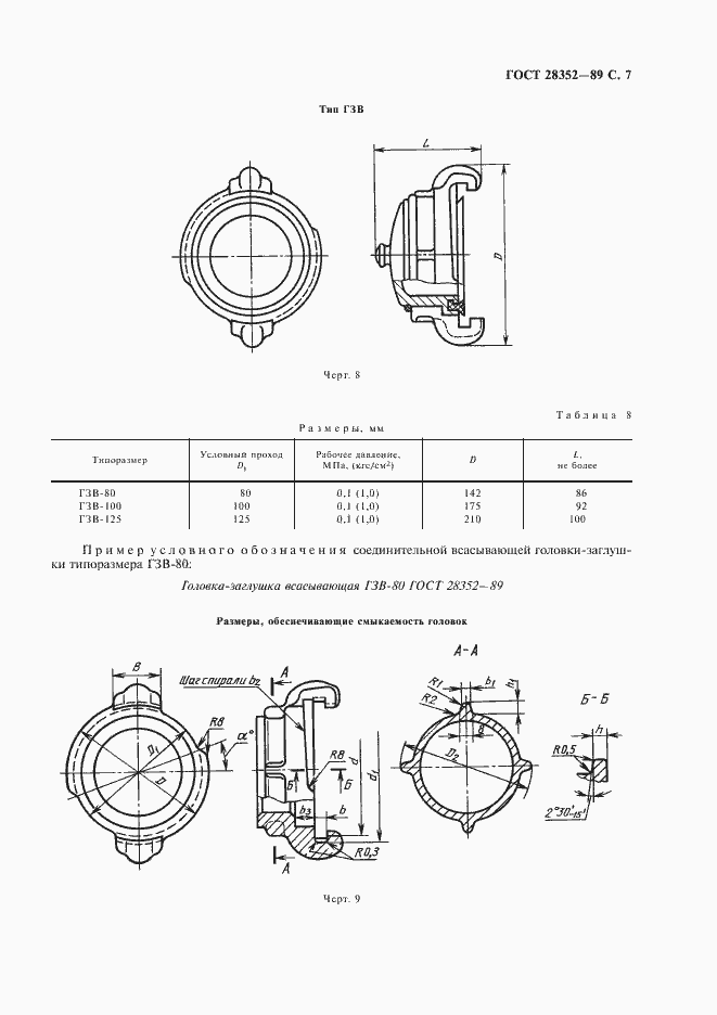
ГОСТ 28352-89 Головки соединительные для пожарного оборудования. Типы, основные параметры и размеры
ГОСТ
Скачать ГОСТ в PDF или DOC бесплатно
Основная информация
Обозначение:
ГОСТ 28352-89
Статус:
Утратил силу в РФ
Тип:
ГОСТ
Название русское:
Головки соединительные для пожарного оборудования. Типы, основные параметры и размеры
Название английское:
Connecting heads for fire equipment. Types, main parameters and dimensions
Даты и сроки
Дата издания:
12-01-05
Дата введения в действие:
01-01-92
Дата завершения срока действия:
05-01-09
Применение и описание
Область и условия применения:
Настоящий стандарт распространяется на соединительные напорные и всасывающие головки, предназначенные для соединения напорных, всасывающих и напорно-всасывающих пожарных рукавов между собой и с пожарным оборудованием. Стандарт устанавливает требования к головкам, изготовляемым для нужд народного хозяйства и экспорта
Связи и замены
Заменяющий:
-
Взамен:
ГОСТ 2217-76;ГОСТ 12964-80
Изменения и переиздания
Список изменений:
№0 от (рег. ) «Поправка к изменению»
Описание стандарта
ГОСТ 28352-89 Головки соединительные для пожарного оборудования. Типы, основные параметры и размеры
Страницы стандарта










