ГОСТы >
01.040.01 Общие положения. Терминология. Стандартизация. Документация (Словари) >
ГОСТ Р 52863-2007
ГОСТ Р 52863-2007 Защита информации. Автоматизированные системы в защищенном исполнении. Испытания на устойчивость к преднамеренным силовым электромагнитным воздействиям. Общие требования
ГОСТ Р
Скачать ГОСТ в PDF или DOC бесплатно
Основная информация
Обозначение:
ГОСТ Р 52863-2007
Статус:
Действует
Тип:
ГОСТ Р
Название русское:
Защита информации. Автоматизированные системы в защищенном исполнении. Испытания на устойчивость к преднамеренным силовым электромагнитным воздействиям. Общие требования
Название английское:
Protection of information. Protective automatically systems. Testing for stability to intentional power electromagnetic influence. General requirements
Даты и сроки
Дата издания:
07-30-20
Дата введения в действие:
07-01-08
Дата завершения срока действия:
-
Применение и описание
Область и условия применения:
Настоящий стандарт распространяется на автоматизированные системы в защищенном исполнении, предназначенные для защиты от преднамеренных воздействий на информацию в целях ее уничтожения, искажения или блокирования при разработке, изготовлении и эксплуатации таких систем. Требования настоящего стандарта подлежат применению на территории Российской Федерации органами государственной власти, местного самоуправления, предприятиями и учреждениями независимо от их организационно-правовой формы и формы собственности, должностными лицами и гражданами Российской Федерации, взявшими на себя обязательства либо обязанными по статусу исполнять требования нормативно-правовых документов Российской Федерации по защите информации
Связи и замены
Заменяющий:
-
Описание стандарта
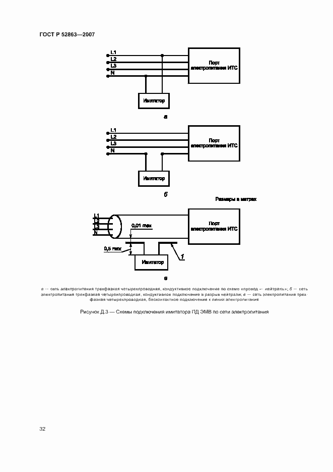
ГОСТ Р 52863-2007 Защита информации. Автоматизированные системы в защищенном исполнении. Испытания на устойчивость к преднамеренным силовым электромагнитным воздействиям. Общие требования
Страницы стандарта







































