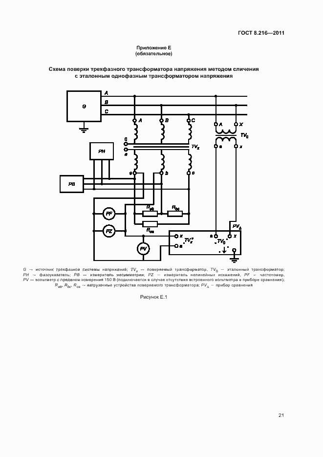
ГОСТ 8.216-2011 Государственная система обеспечения единства измерений. Трансформаторы напряжения. Методика поверки
ГОСТ
Скачать ГОСТ в PDF или DOC бесплатно
Основная информация
Обозначение:
ГОСТ 8.216-2011
Статус:
Действует
Тип:
ГОСТ
Название русское:
Государственная система обеспечения единства измерений. Трансформаторы напряжения. Методика поверки
Название английское:
State system for ensuring the uniformity of measurements. Voltage transformers. Verification procedure
Даты и сроки
Дата регистрации:
11-29-11
Дата издания:
03-11-19
Дата введения в действие:
01-01-13
Дата завершения срока действия:
-
Применение и описание
Область и условия применения:
Настоящий стандарт распространяется на трансформаторы напряжения по ГОСТ 23625 и ГОСТ 1983 и устанавливает методику их первичной и периодической поверок. Настоящий стандарт распространяется на заземляемые и незаземляемые однофазные и трехфазные электромагнитные, емкостные и электронные (с аналоговым выходом) измерительные (трансформаторы для измерения и трансформаторы для защиты) трансформаторы. Настоящий стандарт не распространяется на трансформаторы, применяемые в диапазоне 120% от номинального значения напряжения
Связи и замены
Заменяющий:
-
Взамен:
ГОСТ 8.216-88
Изменения и переиздания
Список изменений:
№0 от (рег. ) «Дата введения перенесена»
Описание стандарта
ГОСТ 8.216-2011 Государственная система обеспечения единства измерений. Трансформаторы напряжения. Методика поверки
Страницы стандарта




























Приложение №1: Поправка к ГОСТ 8.216-2011 Обозначение: Поправка к ГОСТ 8.216-2011 Дата введения в действие: 12.03.2021
