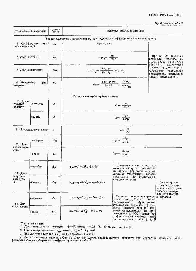
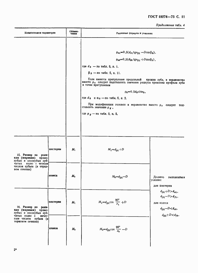
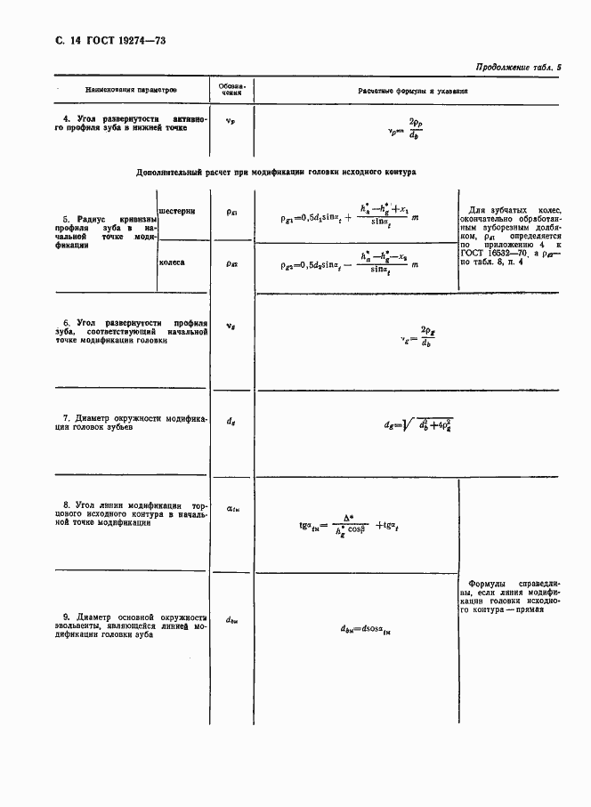
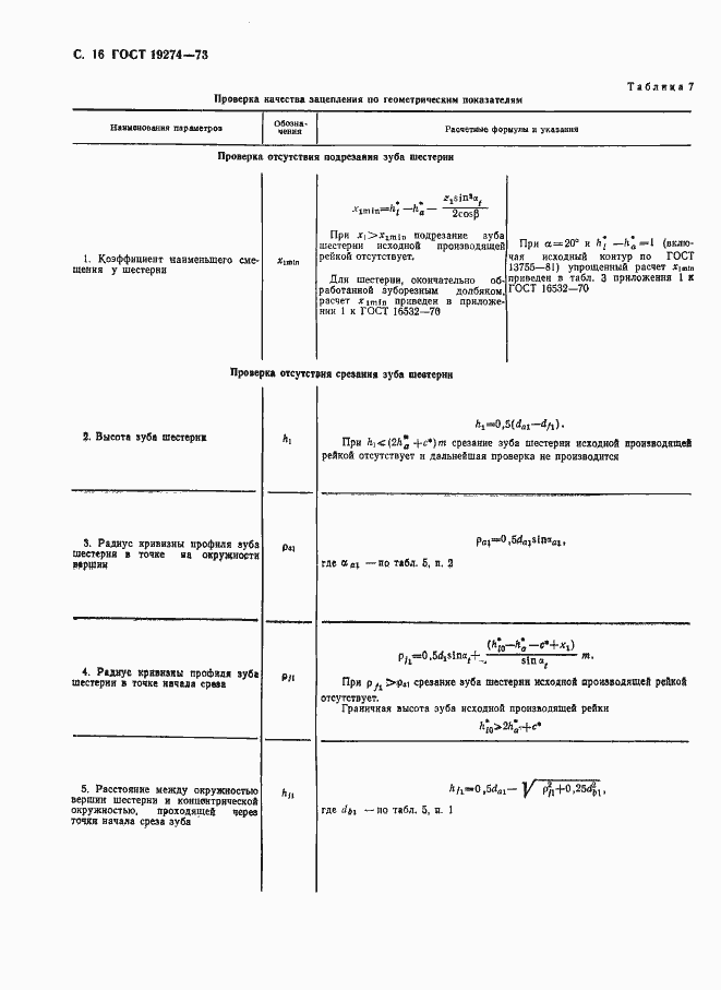
ГОСТ 19274-73 Передачи зубчатые цилиндрические эвольвентные внутреннего зацепления. Расчет геометрии
ГОСТ
Скачать ГОСТ в PDF или DOC бесплатно
Основная информация
Обозначение:
ГОСТ 19274-73
Статус:
Действует
Тип:
ГОСТ
Название русское:
Передачи зубчатые цилиндрические эвольвентные внутреннего зацепления. Расчет геометрии
Название английское:
Cylindrical involute internal gear pairs. Calculation of geometry
Даты и сроки
Дата издания:
06-01-92
Дата введения в действие:
01-01-75
Дата завершения срока действия:
-
Применение и описание
Область и условия применения:
Настоящий стандарт распространяется на зубчатые передачи с постоянным передаточным отношением, зубчатые колеса которых соответствуют исходным контурам с равными делительными номинальными толщиной зуба и шириной впадины, с делительной прямой, делящей глубину захода пополам, без модификации и с модификацией головки
Связи и замены
Заменяющий:
-
Описание стандарта
ГОСТ 19274-73 Передачи зубчатые цилиндрические эвольвентные внутреннего зацепления. Расчет геометрии
Страницы стандарта
































































