ГОСТ 23540-79 Цепи грузовые пластинчатые с закрытыми валиками. Технические условия
ГОСТ
Скачать ГОСТ в PDF или DOC бесплатно
Основная информация
Обозначение:
ГОСТ 23540-79
Статус:
Действует
Тип:
ГОСТ
Название русское:
Цепи грузовые пластинчатые с закрытыми валиками. Технические условия
Название английское:
Balance leaf chains with solid pins. Specifications
Даты и сроки
Дата издания:
12-01-84
Дата введения в действие:
01-01-80
Дата завершения срока действия:
-
Применение и описание
Область и условия применения:
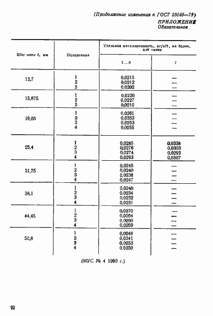
Настоящий стандарт распространяется на грузовые пластинчатые цепи с закрытыми валиками, предназначенные для работы в грузоподъемных механизмах
Связи и замены
Заменяющий:
-
Изменения и переиздания
Список изменений:
№1 от (рег. ) «Срок действия продлен» №2 от (рег. ) «Срок действия продлен»
Описание стандарта
ГОСТ 23540-79 Цепи грузовые пластинчатые с закрытыми валиками. Технические условия
Страницы стандарта



















