ГОСТ 34479-2018 Станки металлорежущие. Условия испытаний. Нормативно-техническое обеспечение совершенствования методов диагностирования и технологий ремонтно-восстановительных работ станочного парка
ГОСТ
Скачать ГОСТ в PDF или DOC бесплатно
Основная информация
Обозначение:
ГОСТ 34479-2018
Статус:
Действует
Тип:
ГОСТ
Название русское:
Станки металлорежущие. Условия испытаний. Нормативно-техническое обеспечение совершенствования методов диагностирования и технологий ремонтно-восстановительных работ станочного парка
Название английское:
Machine tools. Test condition. Normtechical ensuring for perfectioning of diagnostic and repair-recover work methods of all availability tools
Даты и сроки
Дата регистрации:
11-29-18
Дата издания:
11-30-20
Дата введения в действие:
08-01-21
Дата завершения срока действия:
-
Применение и описание
Область и условия применения:
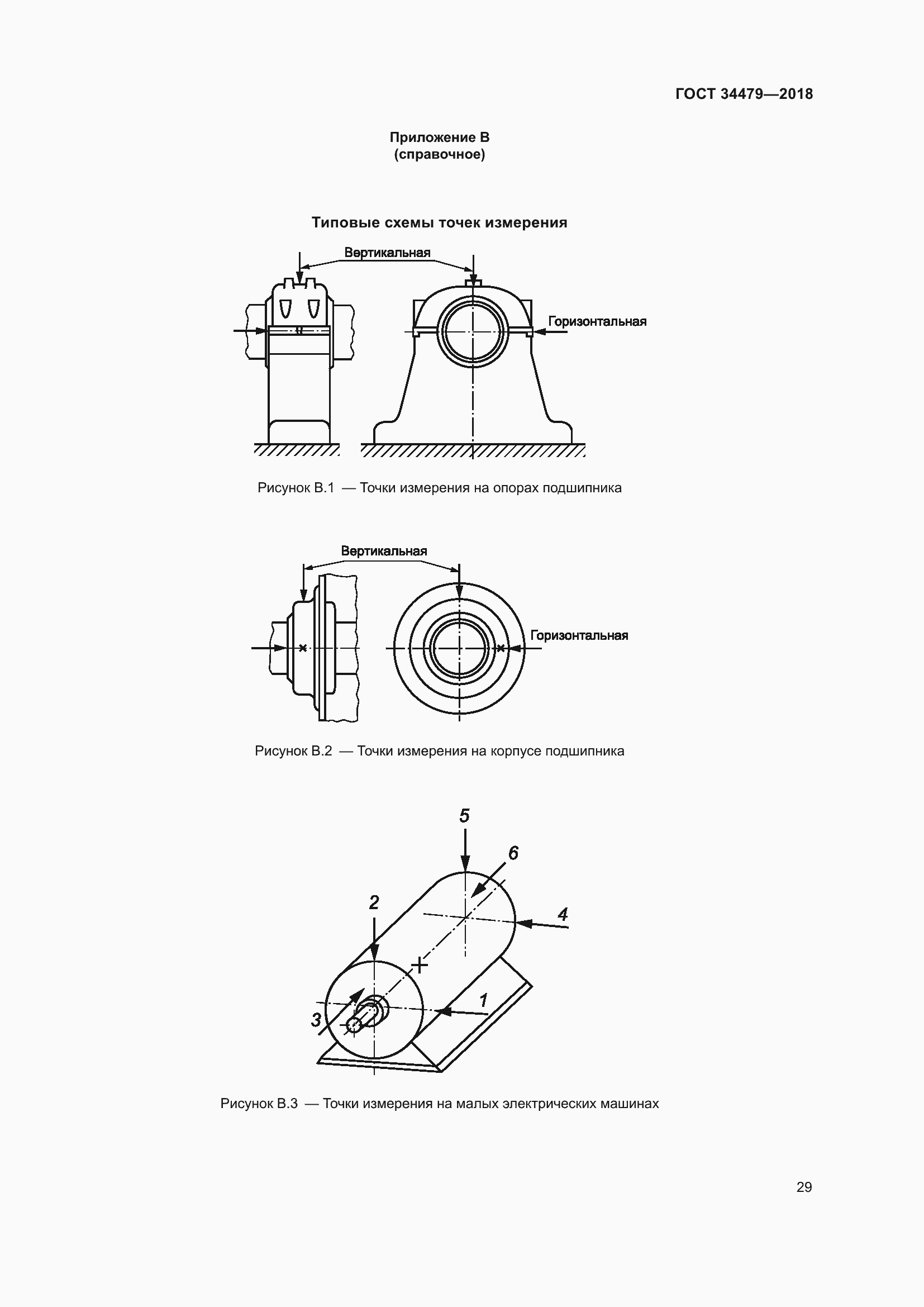
Настоящий стандарт распространяется на все основные виды металлорежущих станков (МРС). Возможно его применение и для других видов обрабатывающего оборудования (деревообрабатывающие станки, КПО и пр.) с соответствующей привязкой к аналогичным деталям и узлам МРС. Стандарт представляет общие положения по организации ремонтно-восстановительных работ станочного парка, методы, способы и критерии оценки фактического состояния эксплуатируемого оборудования, в том числе на основе безразборной диагностики, как наиболее эффективного современного способа обеспечения и поддержания установленного ТУ технического уровня эксплуатируемого обрабатывающего оборудования. Организация и проведение технического обслуживания и ремонта с использованием данных по его «фактическому техническому состоянию»(ТС) - с использованием современных методов и средств диагностики технического состояния ответственных узлов, деталей и станка в целом позволяет реализовать постоянно возрастающие требования как к качеству выпускаемой продукции, так и к производительности и сроку эксплуатации обрабатывающего оборудования, повысить эффективность его технического обслуживания и ремонта (ТОиР), упреждая отказы и преждевременную потерю точности
Связи и замены
Заменяющий:
-
Описание стандарта
ГОСТ 34479-2018 Станки металлорежущие. Условия испытаний. Нормативно-техническое обеспечение совершенствования методов диагностирования и технологий ремонтно-восстановительных работ станочного парка
Страницы стандарта



















































Приложение №1: Поправка к ГОСТ 34479-2018 Обозначение: Поправка к ГОСТ 34479-2018 Дата введения в действие: 13.03.2024
