ГОСТ 18217-90 Протяжки шпоночные. Конструкция
ГОСТ
Скачать ГОСТ в PDF или DOC бесплатно
Основная информация
Обозначение:
ГОСТ 18217-90
Статус:
Действует
Тип:
ГОСТ
Название русское:
Протяжки шпоночные. Конструкция
Название английское:
Key broaches. Design
Даты и сроки
Дата издания:
12-19-90
Дата введения в действие:
01-01-91
Дата завершения срока действия:
-
Применение и описание
Область и условия применения:
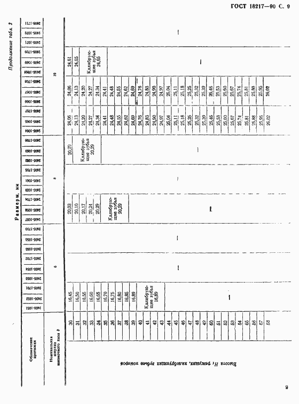
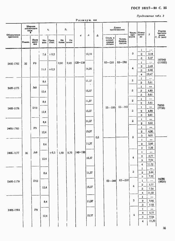
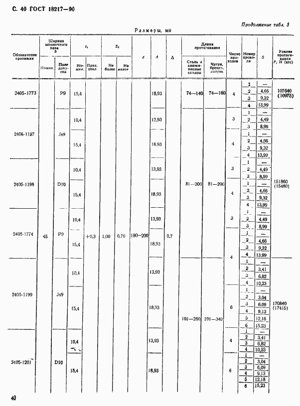
Настоящий стандарт распространяется на протяжки универсального назначения для обработки шпоночных пазов шириной от 6 до 50 мм по ГОСТ 23360, ГОСТ 10748, ГОСТ 24071
Связи и замены
Заменяющий:
-
Взамен:
ГОСТ 18217-80
Описание стандарта
ГОСТ 18217-90 Протяжки шпоночные. Конструкция
Страницы стандарта















































