ГОСТы >
01.080.30 Графические обозначения для машиностроительных и строительных чертежей, диаграмм, планов, карт и соответствующей технической документации на продукцию >
ГОСТ 2.308-79
ГОСТ 2.308-79 Единая система конструкторской документации. Указание на чертежах допусков формы и расположения поверхностей
ГОСТ
Скачать ГОСТ в PDF или DOC бесплатно
Основная информация
Обозначение:
ГОСТ 2.308-79
Статус:
Заменен
Тип:
ГОСТ
Название русское:
Единая система конструкторской документации. Указание на чертежах допусков формы и расположения поверхностей
Название английское:
Unified system for design documentation. Representation of limits of forms and surface lay-out on drawings
Даты и сроки
Дата издания:
08-01-07
Дата введения в действие:
01-01-80
Дата завершения срока действия:
01-01-12
Применение и описание
Область и условия применения:
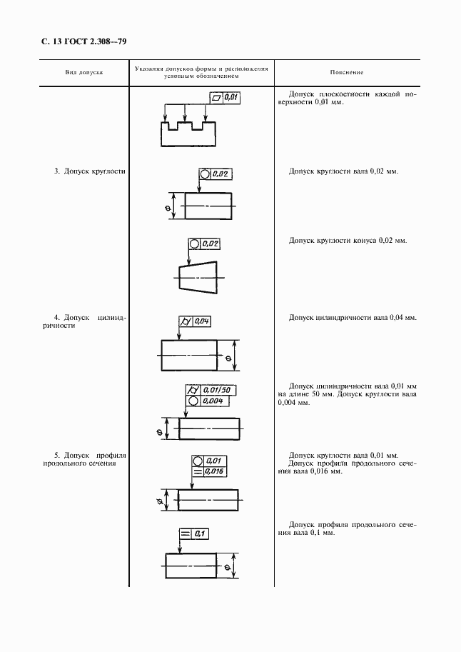
Настоящий стандарт устанавливает правила указания допусков формы и расположения поверхностей на чертежах изделий всех отраслей промышленности
Связи и замены
Заменяющий:
ГОСТ 2.308-2011
Взамен:
ГОСТ 2.308-68
Изменения и переиздания
Список изменений:
№1 от (рег. ) «Срок действия продлен»
Описание стандарта
ГОСТ 2.308-79 Единая система конструкторской документации. Указание на чертежах допусков формы и расположения поверхностей
Страницы стандарта




















