ГОСТ Р 60.3.4.1-2017 Роботы и робототехнические устройства. Промышленные манипуляционные роботы. Механические интерфейсы. Круглые фланцы
ГОСТ Р
Скачать ГОСТ в PDF или DOC бесплатно
Основная информация
Обозначение:
ГОСТ Р 60.3.4.1-2017
Статус:
Действует
Тип:
ГОСТ Р
Название русское:
Роботы и робототехнические устройства. Промышленные манипуляционные роботы. Механические интерфейсы. Круглые фланцы
Название английское:
Robots and robotic devices. Manipulating industrial robots. Mechanical interfaces. Plates
Даты и сроки
Дата издания:
10-23-20
Дата введения в действие:
07-01-18
Дата завершения срока действия:
-
Применение и описание
Область и условия применения:
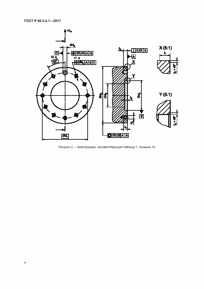
Настоящий стандарт устанавливает основные размеры, назначение и маркировку круглых фланцев, используемых в качестве механического интерфейса для промышленных манипуляционных роботов. Данный механический интерфейс предназначен для обеспечения однозначности установки и взаимозаменяемости рабочих органов при их ручном монтаже на промышленные манипуляционные роботы. Настоящий стандарт не устанавливает другие требования к механическому интерфейсу, предназначенному для установки рабочего органа робота. Настоящий стандарт не имеет никакой взаимосвязи с диапазонами грузоподъемности робота, так как предполагается, что подходящий механический интерфейс должен быть выбран в зависимости от области применения и грузоподъемности робота. Механические интерфейсы, определенные в настоящем стандарте, могут также найти применение в транспортно-загрузочных устройствах, которые не подпадают под определение промышленных манипуляционных роботов, таких как перегружатели или копирующие устройства
Связи и замены
Заменяющий:
-
Изменения и переиздания
Список изменений:
№0 от (рег. ) «Дата введения перенесена»
Описание стандарта
ГОСТ Р 60.3.4.1-2017 Роботы и робототехнические устройства. Промышленные манипуляционные роботы. Механические интерфейсы. Круглые фланцы
Страницы стандарта












Приложение №1: Поправка к ГОСТ Р 60.3.4.1-2017 Обозначение: Поправка к ГОСТ Р 60.3.4.1-2017 Дата введения в действие: 23.05.2018
