ГОСТ 9.313-89 Единая система защиты от коррозии и старения. Покрытия металлические и неметаллические неорганические на пластмассах. Общие требования и технологические операции
ГОСТ
Скачать ГОСТ в PDF или DOC бесплатно
Основная информация
Обозначение:
ГОСТ 9.313-89
Статус:
Действует
Тип:
ГОСТ
Название русское:
Единая система защиты от коррозии и старения. Покрытия металлические и неметаллические неорганические на пластмассах. Общие требования и технологические операции
Название английское:
Unified system of corrosion and ageing protection. Metal and non-metal inorganic coatings on the plastics. General requirements and technological operations
Даты и сроки
Дата издания:
07-26-89
Дата введения в действие:
06-30-90
Дата завершения срока действия:
-
Применение и описание
Область и условия применения:
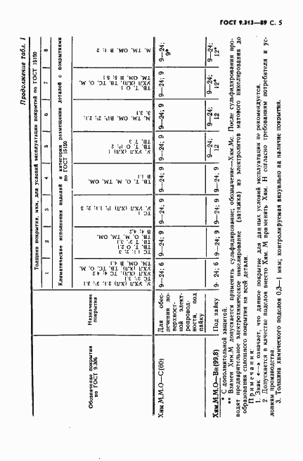
Настоящий стандарт распространяется на металлические и неметаллические неорганические покрытия, получаемые на пластмассовых деталях способом химического осаждения электропроводного покрытия или подслоя для последующего нанесения электрохимического покрытия с целью придания пластмассовым деталям специальных свойств и декоративного вида, и устанавливает общие требования к деталям и покрытиям, основные параметры операций получения электропроводного покрытия или подслоя никеля, меди и сульфидов меди
Связи и замены
Заменяющий:
-
Описание стандарта
ГОСТ 9.313-89 Единая система защиты от коррозии и старения. Покрытия металлические и неметаллические неорганические на пластмассах. Общие требования и технологические операции
Страницы стандарта
























































