ГОСТ 26492-85 Прутки катаные из титана и титановых сплавов. Технические условия
ГОСТ
Скачать ГОСТ в PDF или DOC бесплатно
Основная информация
Обозначение:
ГОСТ 26492-85
Статус:
Действует
Тип:
ГОСТ
Название русское:
Прутки катаные из титана и титановых сплавов. Технические условия
Название английское:
Titanium and titanium alloys rolled bars. Specifications
Даты и сроки
Дата издания:
07-03-85
Дата введения в действие:
01-01-87
Дата завершения срока действия:
-
Применение и описание
Область и условия применения:
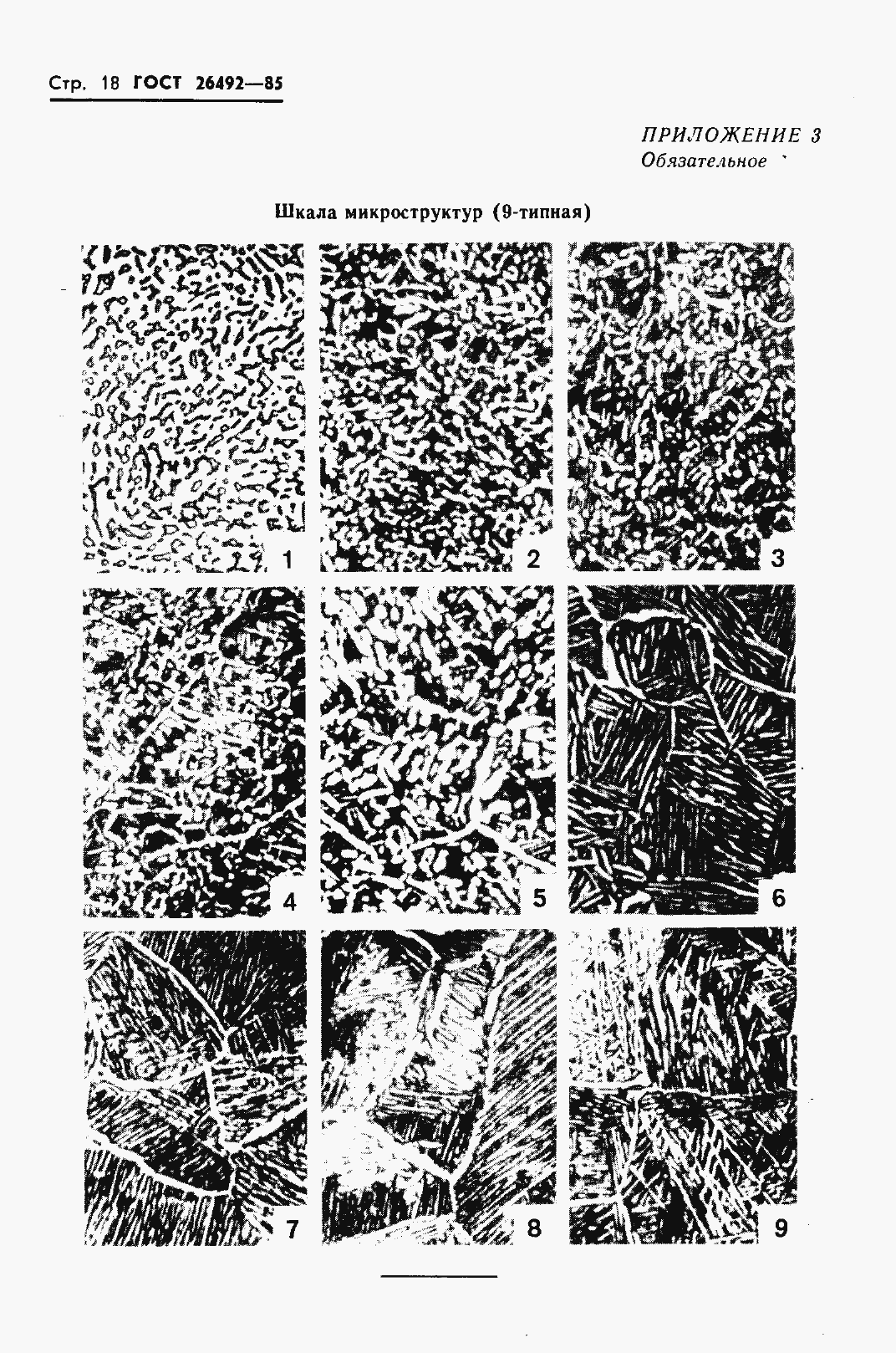
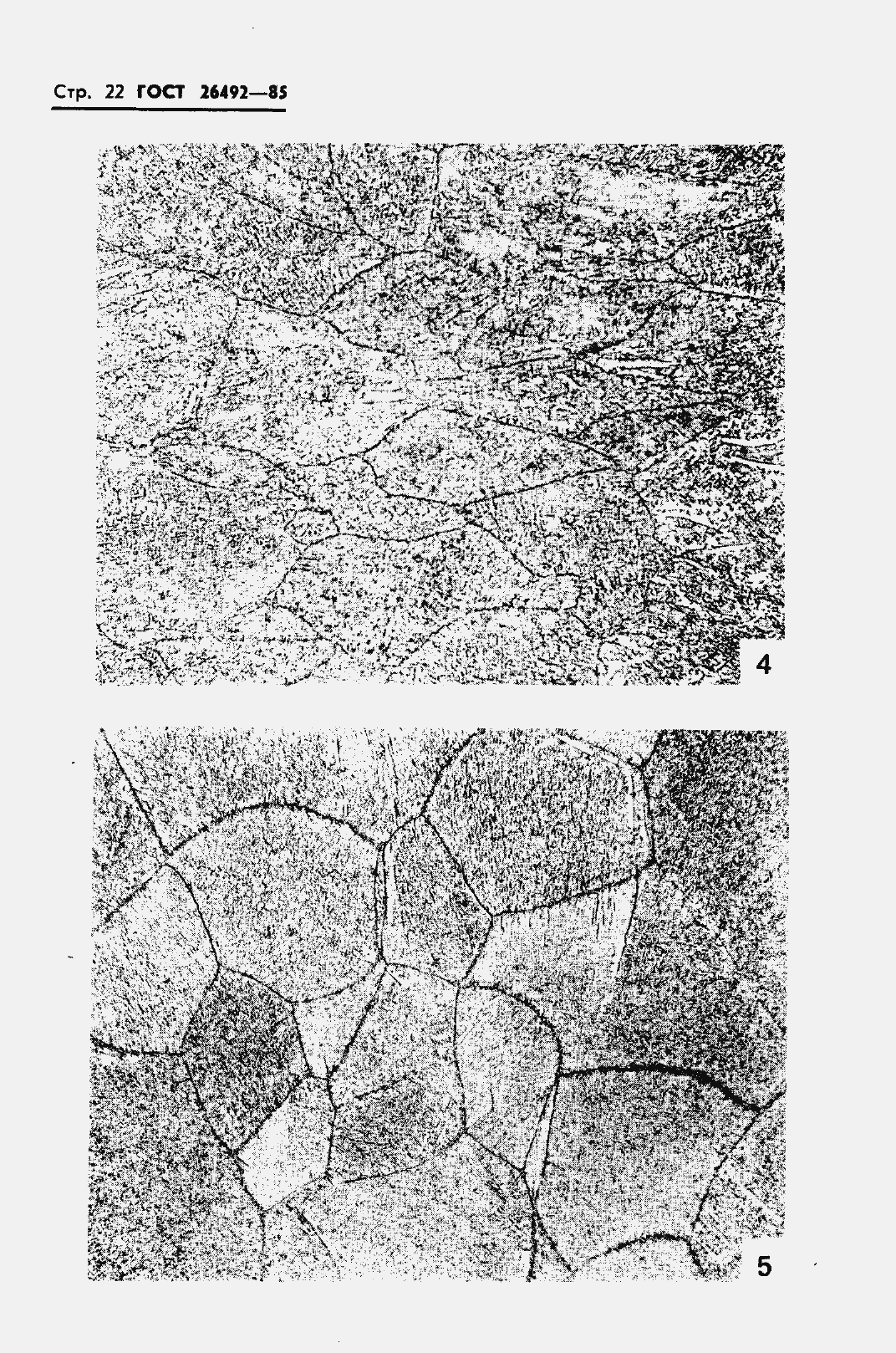
Настоящий стандарт распространяется на круглые горячекатаные необточенные прутки из титана и титановых сплавов
Связи и замены
Заменяющий:
-
Изменения и переиздания
Список изменений:
№1 от (рег. ) «Срок действия продлен» №2 от (рег. ) «Срок действия продлен»
Описание стандарта
ГОСТ 26492-85 Прутки катаные из титана и титановых сплавов. Технические условия
Страницы стандарта


































Приложение №1: Изменение к ГОСТ 26492-85. Поправка к изменению Обозначение: Изменение к ГОСТ 26492-85. Поправка к изменению Дата введения в действие: 15.05.2024

Приложение №4: Изменение №3 к ГОСТ 26492-85 Обозначение: Изменение №3 к ГОСТ 26492-85 Дата введения в действие: 01.02.2024

Приложение №4: Изменение №3 к ГОСТ 26492-85 Обозначение: Изменение №3 к ГОСТ 26492-85 Дата введения в действие: 01.02.2024
