ГОСТ 8059-83 Шарниры универсальные с вкладышами скольжения для прокатного оборудования. Основные размеры. Общие технические требования
ГОСТ
Скачать ГОСТ в PDF или DOC бесплатно
Основная информация
Обозначение:
ГОСТ 8059-83
Статус:
Действует
Тип:
ГОСТ
Название русское:
Шарниры универсальные с вкладышами скольжения для прокатного оборудования. Основные размеры. Общие технические требования
Название английское:
Universal joints with sliding liners for rolling-mill equipment. General requirements
Даты и сроки
Дата издания:
11-01-98
Дата введения в действие:
01-01-85
Дата завершения срока действия:
-
Применение и описание
Область и условия применения:
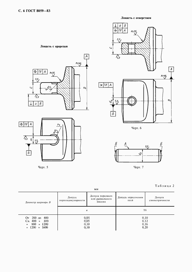
Настоящий стандарт распространяется на универсальные шарниры с вкладышами скольжения, применяемые для передачи вращения от привода через шпиндели к валкам рабочих клетей и другим рабочим органам машин прокатного оборудования
Связи и замены
Заменяющий:
-
Взамен:
ГОСТ 8059-70;ГОСТ 8387-74
Изменения и переиздания
Список изменений:
№1 от (рег. ) «Срок действия продлен»
Описание стандарта
ГОСТ 8059-83 Шарниры универсальные с вкладышами скольжения для прокатного оборудования. Основные размеры. Общие технические требования
Страницы стандарта











