ГОСТ 12221-79 Аппаратура для плазменно-дуговой резки металлов. Типы и основные параметры
ГОСТ
Скачать ГОСТ в PDF или DOC бесплатно
Основная информация
Обозначение:
ГОСТ 12221-79
Статус:
Действует
Тип:
ГОСТ
Название русское:
Аппаратура для плазменно-дуговой резки металлов. Типы и основные параметры
Название английское:
Apparatus for plasma-arc cutting of metals. Types and basic parameters
Даты и сроки
Дата издания:
08-01-90
Дата введения в действие:
01-01-81
Дата завершения срока действия:
-
Применение и описание
Область и условия применения:
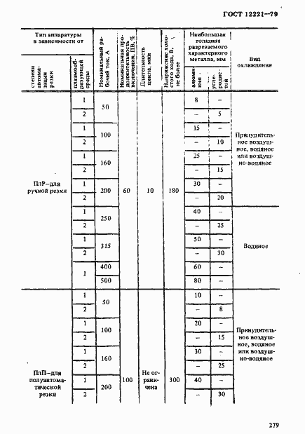
Настоящий стандарт распространяется на аппаратуру для разделительной плазменно-дуговой резки металлов
Связи и замены
Заменяющий:
-
Взамен:
ГОСТ 12221-71
Описание стандарта
ГОСТ 12221-79 Аппаратура для плазменно-дуговой резки металлов. Типы и основные параметры
Страницы стандарта



