ГОСТ 1758-81 Основные нормы взаимозаменяемости. Передачи зубчатые конические и гипоидные. Допуски
ГОСТ
Скачать ГОСТ в PDF или DOC бесплатно
Основная информация
Обозначение:
ГОСТ 1758-81
Статус:
Действует
Тип:
ГОСТ
Название русское:
Основные нормы взаимозаменяемости. Передачи зубчатые конические и гипоидные. Допуски
Название английское:
Basic norms of interchangeability. Bevel and hyppoid gears. Tolerances
Даты и сроки
Дата издания:
01-01-87
Дата введения в действие:
01-01-82
Дата завершения срока действия:
-
Применение и описание
Область и условия применения:
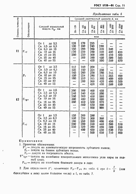
Настоящий стандарт распространяется на конические и гипоидные зубчатые передачи и пары внешнего зацепления с прямыми, тангенциальными и криволинейными зубьями со средним делительным диаметром зубчатых колес от 4000 мм, средним нормальным модулем от 1 до 55 мм с прямолинейным профилем исходного контура и номинальным углом его профиля 20 град.
Связи и замены
Заменяющий:
-
Взамен:
ГОСТ 1758-56
Описание стандарта
ГОСТ 1758-81 Основные нормы взаимозаменяемости. Передачи зубчатые конические и гипоидные. Допуски
Страницы стандарта










































