ГОСТ 13119-81 Штампы для листовой штамповки. Колонки направляющие ступенчатые. Конструкция и размеры
ГОСТ
Скачать ГОСТ в PDF или DOC бесплатно
Основная информация
Обозначение:
ГОСТ 13119-81
Статус:
Действует
Тип:
ГОСТ
Название русское:
Штампы для листовой штамповки. Колонки направляющие ступенчатые. Конструкция и размеры
Название английское:
Die posta with flute for cold plastic working dies. Construction and dimensions
Даты и сроки
Дата издания:
06-01-87
Дата введения в действие:
01-01-82
Дата завершения срока действия:
-
Применение и описание
Область и условия применения:
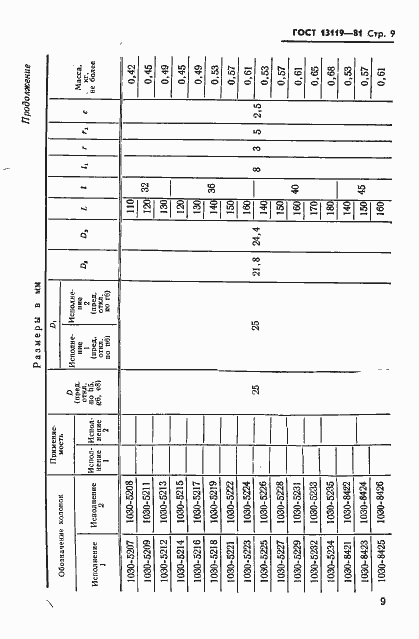
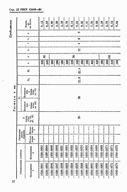
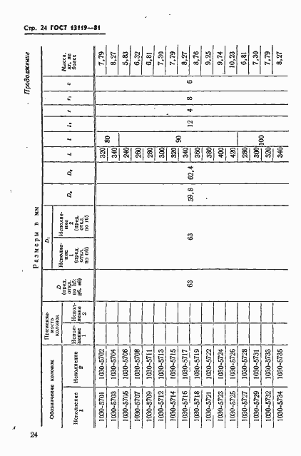
Настоящий стандарт распространяется на направляющие ступенчатые колонки, применяемые в направляющих узлах штампов и устанавливаемые по системе отверстия
Связи и замены
Заменяющий:
-
Взамен:
ГОСТ 13119-75
Изменения и переиздания
Список изменений:
№1 от (рег. ) «Срок действия продлен»
Описание стандарта
ГОСТ 13119-81 Штампы для листовой штамповки. Колонки направляющие ступенчатые. Конструкция и размеры
Страницы стандарта


































