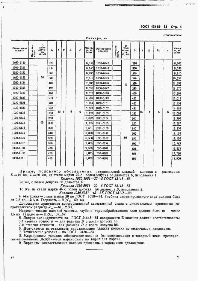
ГОСТ 13118-83 Штампы для листовой штамповки. Колонки направляющие гладкие. Конструкция и размеры
ГОСТ
Скачать ГОСТ в PDF или DOC бесплатно
Основная информация
Обозначение:
ГОСТ 13118-83
Статус:
Действует
Тип:
ГОСТ
Название русское:
Штампы для листовой штамповки. Колонки направляющие гладкие. Конструкция и размеры
Название английское:
Guide posts smooth for cold plastic working dies. Construction and dimensions
Даты и сроки
Дата издания:
03-01-86
Дата введения в действие:
06-30-84
Дата завершения срока действия:
-
Применение и описание
Область и условия применения:
Настоящий стандарт распространяется на направляющие гладкие колонки, применяемые в направляющих узлах штампов и устанавливаемые по системе вала
Связи и замены
Заменяющий:
-
Взамен:
ГОСТ 13118-75
Описание стандарта
ГОСТ 13118-83 Штампы для листовой штамповки. Колонки направляющие гладкие. Конструкция и размеры
Страницы стандарта




