ГОСТ 13110-83 Штампы для листовой штамповки. Плиты-заготовки нижние для штампов с диагональным расположением направляющих узлов. Конструкция и размеры
ГОСТ
Скачать ГОСТ в PDF или DOC бесплатно
Основная информация
Обозначение:
ГОСТ 13110-83
Статус:
Действует
Тип:
ГОСТ
Название русское:
Штампы для листовой штамповки. Плиты-заготовки нижние для штампов с диагональным расположением направляющих узлов. Конструкция и размеры
Название английское:
Sheet stamping dies. Lower plates-blanks for dies with diagonally positioned guide assemblies. Construction and dimensions
Даты и сроки
Дата издания:
03-01-86
Дата введения в действие:
06-30-84
Дата завершения срока действия:
-
Применение и описание
Область и условия применения:
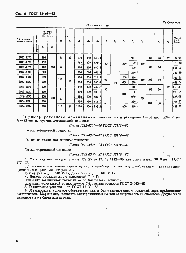
Настоящий стандарт распространяется на заготовки нижних плит из чугунного и стального литья для штампов с диагональным расположением направляющих узлов
Связи и замены
Заменяющий:
-
Взамен:
ГОСТ 13110-75
Описание стандарта
ГОСТ 13110-83 Штампы для листовой штамповки. Плиты-заготовки нижние для штампов с диагональным расположением направляющих узлов. Конструкция и размеры
Страницы стандарта







